Product Summary
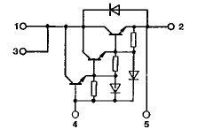
The SK100DAL100D is designed as one kind of NPN power darlington module that can be used in wide range of applications such as:(1)uninterruptible power supplies (UPS);(2)DC drivers;(3)AC motor controls;(4)brake choppers (DAL).
Parametrics
Absolute maximum ratings: (1)Vcevsus: 1000 V;(2)VCEV: 1000 V;(3)V CBO: 1000 V;(4)Ic: 100 A;(5)V EBO: 7 V;(6)I CM: 200 A;(7)IF=-Ic: 100 A;(8)IB: 5 A;(9)Tvj: -40 ℃ to +150 ℃;(10)storage temperature: -40 ℃ to +125 ℃.
Features
Features: (1)Darlington Independent Power Module - 3-Stage Darlington. Vbe=-2.0V for BVCEV; (2)Semikron Power Modules; (3)Isolated Case (Y/N)=Yes; (4)Circuits Per Package=1; (5)V(BR)CEO (V)=1.0k; (6)V(BR)CBO (V)=1.0k; (7)I(C) Abs.(A) Collector Current=100; (8)Absolute Max. Power Diss. (W)=800.
Diagrams

![]() |
![]() SK10 |
![]() Other |
![]() |
![]() Data Sheet |
![]() Negotiable |
|
||||||||||||
![]() |
![]() SK10056526-002ALF |
![]() FCI |
![]() Cables (Cable Assemblies) SK10056526-002ALF-RA CABLE KITS 16MM |
![]() Data Sheet |
![]()
|
|
||||||||||||
![]() |
![]() SK10066104-004LF |
![]() FCI |
![]() Cables (Cable Assemblies) |
![]() Data Sheet |
![]()
|
|
||||||||||||
![]() |
![]() SK10073111-1620NLF |
![]() FCI |
![]() Cables (Cable Assemblies) RA Cable assembly, 2000mm, 16mm2, no lug |
![]() Data Sheet |
![]()
|
|
||||||||||||
![]() |
![]() SK10073112-1605NLF |
![]() FCI |
![]() Cables (Cable Assemblies) Straight cable assembly, 500mm, 16mm2, no lug |
![]() Data Sheet |
![]()
|
|
||||||||||||
![]() |
![]() SK10080068-2EC0025 |
![]() FCI |
![]() Cables (Cable Assemblies) |
![]() Data Sheet |
![]()
|
|
||||||||||||
(China (Mainland))






